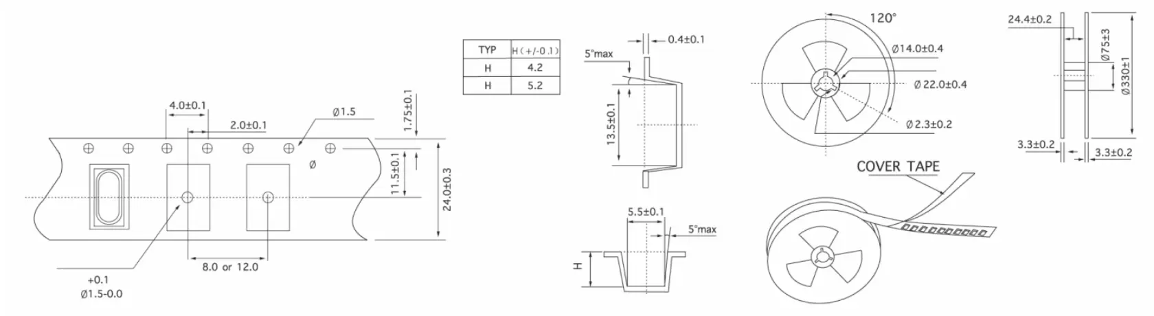
UNIT KRISTAL OUARTZ
HC-49S/SMD
| JENIS | HC-49S/2PD |
| Julat frekuensi | 3.5MHz~125MHz |
| Potongan kristal | AT;BT |
| Toleransi Frekuensi (pada 25C) | ±5ppm ~ ±30ppm |
| Ciri-ciri Kekerapan Suhu | "AT:±2.5ppm(0℃-50℃));+5ppm(-10℃-60℃));+10ppm(-20℃-70℃));+30ppm(-40℃-85℃)"BT:±100ppm(-20℃-70℃); |
| Julat Masa Penyimpanan | -40℃~+85℃ |
| Rintangan Siri Setara (ESR) | Lihat Jadual |
| Kapasitans Beban (CL) | 4pf~∞ |
| Kapasitans Shunt(Co) | <5pf |
| Rintangan Penebat | >500M2 Pada DC 100V |
| Aras Pemanduan | 1μw ~100μw |
| Penuaan (Tahun) | ±3ppm (Tahun) |
| Frekuensi (MHz) | Mod | ESR(Ω) |
| 3.500 ≤f<4.000 | AT/FUND | 150~100 |
| 4.000 ≤f<6.000 | AT/FUND | 100~60 |
| 6.000 ≤f<10.000 | AT/FUND | 60~50 |
| 10.000≤f<15.000 | AT/FUND | 50~30 |
| 15.000≤f<35.000 | AT/FUND | ≤ 25 |
| 21.000 ≤f<40.000 | BT/DANA | ≤ 40 |
| 25.000 ≤f<100.000 | Nada Tambahan ke-3 | 80~60 |
| Selain parameter yang disenaraikan dalam jadual, ia boleh direka bentuk mengikut keperluan pelanggan | ||

*
*
*